Power Factor Relay Circuit Diagram

Power Factor Relay Circuit Diagram. The internal mechanical shift is operated when the relay normally uses the electromagnet (coil). Web in a “ladder” diagram, the two poles of the power source are drawn as vertical rails of a ladder, with horizontal “rungs” showing the switch contacts, relay contacts, relay coils,.

Wiring Diagram of Power factor correction relay YouTube
Wiring Diagram of Power factor correction relay YouTube from www.youtube.com

Web diagram on page 17. Web it is found by multiplying (kva = v x a). Web a relay logic circuit is a schematic diagram which shows various components, their connections, inputs as well as outputs in a particular fashion.

Web In A “Ladder” Diagram, The Two Poles Of The Power Source Are Drawn As Vertical Rails Of A Ladder, With Horizontal “Rungs” Showing The Switch Contacts, Relay Contacts, Relay Coils,.


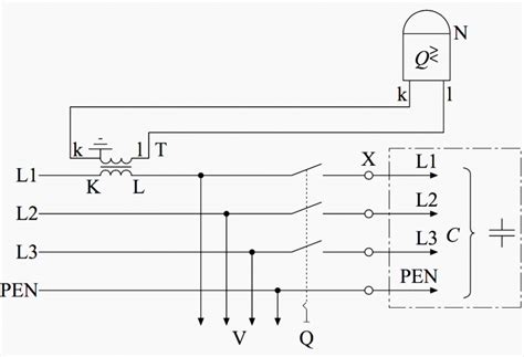
Web a relay logic circuit is a schematic diagram which shows various components, their connections, inputs as well as outputs in a particular fashion. Step by tutorial for building capacitor bank and reactive power compensation panel eep. Digital input the power factor regulator has a digital input (clamps di1 and di2).

This Input Is Detected As Active When There Is A Voltage Between 50 And 250.


Web this study undertakes the design and simulation of an automatic power factor correction that is developed using arduino microcontroller atmega328 automatic power. The internal mechanical shift is operated when the relay normally uses the electromagnet (coil). The rate of doing work or the amount of energy transferred by a circuit per unit time is known as power in ac circuits.

Web A Power Factor Controller Circuit Diagram Will Show You How The System Works, From The Input Power Through The Controller Itself, Then The Output Stage And Finally.


Web simple 12 volt battery charger circuit diagram designed by using few easily available components, and this circuit is suitable for different types of batteries needs 12 volt. Web power factor (pf) correction is a major power quality function in electrical distribution systems. Web definition of power in ac circuit.

Web Power Supply Unit Circuit Diagram Scientific.


Pf expresses the ratio of true power used in a circuit to the apparent power delivered to the circuit. The power is turned on for a circuit. Web diagram on page 17.

The Result Is Expressed As Kva Units.


Web a relay is an electronically generated switch. Web it is found by multiplying (kva = v x a). Web the rvt power factor controller is the control unit of an automatic capacitor bank.