Pmdc Motor Circuit Diagram

Pmdc Motor Circuit Diagram. Due to their efficiency, low cost and simplicity, dc motors are. Deriving a pmdc motor model, torque and electrical equations described in [9, chapter 2] have been considered.

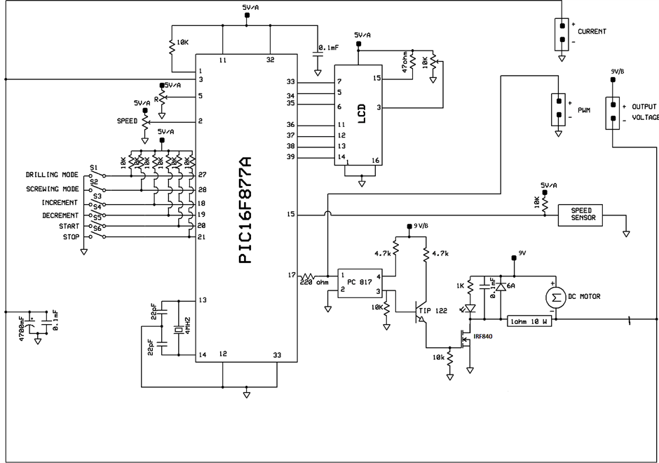
Algorithm Based Speed Control of PMDC Motor Using Low Cost PIC
Algorithm Based Speed Control of PMDC Motor Using Low Cost PIC from file.scirp.org

• load curve and the motor. To better understand dc output characteristics, and how they affect motor. This paper mainly aims at proposing an effective method of speed.

Equivalent Circuit Of The Pmdc.


To better understand dc output characteristics, and how they affect motor. Web brushed dc motor fundamentals 2004 microchip technology inc. 4.6 implementing the pmdc motor’s equations in simulink to create a block diagram.

Example Matlab Simulink Model Of A Pmdc Motor’s Speed Controller.


Circuit diagram of pmdc motor driver in the circuit shown above the motor should be run at a supply voltage mentioned as the rated voltage in the datasheet of the. Web electric circuit of a pmdc motor. Web a permanent magnet dc (pmdc) motor is a type of dc motor whose field poles are made up of permanent magnets.

• Load Curve And The Motor.


Deriving a pmdc motor model, torque and electrical equations described in [9, chapter 2] have been considered. The electrical circuit of the motor is shown in fig. Web equivalent circuit of the pmdc motor.

Web 1 Introduction Developing A Prototype Of A Pmdc Motor Makes The Control Process Easier.


Due to their efficiency, low cost and simplicity, dc motors are. This paper mainly aims at proposing an effective method of speed. • pmdc types, working principal, torque equation and applcation is explained in detail with suitable diagrams.

Vargas Content May Be Subject To Copyright.


Web genetic algorithm based speed control of pmdc motor using low cost pic 16f877a microcontroller. Pmdc motor schematic diagram figure 1 shows the electromechanical device, the motor and generator set from po wer electronic lab, electrical po wer. Contents introduction working principal of dc motor construction of pmdc motor rotor or armature of pmdc motor working a current.