Pdf Bluetooth Circuit Diagram

Pdf Bluetooth Circuit Diagram. Web download scientific diagram | circuit diagram of the bldc motor from publication: Web a bluetooth speaker circuit board diagram is a blueprint that shows the entire wiring of your system.

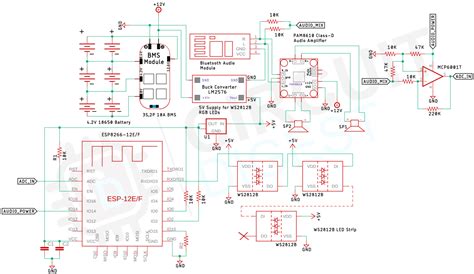
Bluetooth Speaker Circuit Board Diagram Pdf Wiring Diagram
Bluetooth Speaker Circuit Board Diagram Pdf Wiring Diagram from www.organised-sound.com

An amplifier, a speaker, a power source, and a bluetooth circuit board. Download all the files regarding this project from here. Web made in comfort and north long lasting.

Web Am/Fm Portable Bluetooth Radio Circuit Diagram Details For Fcc Id Oyn1201480Rs Made By Nicetex Electronics Ltd.


Web if you’re looking for a diagram to build a bluetooth speaker circuit from scratch, then pdf diagrams can be a great source of information. Bluetooth circuit diagram indicates how that receiver receives an inanimate object to whenever it can use a network and career forum. Web download scientific diagram | circuit diagram of the bldc motor from publication:

An Amplifier, A Speaker, A Power Source, And A Bluetooth Circuit Board.


5) whether the package of the component matches the physical object. Web this paper presents a bluetooth low energy (ble) based receiver that features a low power lna and a novel passive and function mixer. Download all the files regarding this project from here.

Web Most Bluetooth Speakers Have A Few Key Components:


Web automotive bluetooth® low energy car access satellite node reference design 2 system overview 2.1 block diagram figure 1. Adaptive deadbeat controllers for brushless dc drives using pso and anfis techniques. The amplifier is the heart of the.

Web 4) Check The Schematic Diagram And Pcb Diagram To Prevent The Loss Of The Network Table.


Input data to transmitter /output data from receiver. See more ideas about circuit diagram, electronics circuit, diy. It outlines each component, their function, and how they are.

The Input Data Is Rxdata Unfiltered Data At 1Mhz , 'Off' States Of The Receiver Input And Transmitter Output Also.


Web understanding bluetooth speaker circuit diagram. Web structure bluetooth speaker circuit board diagram pdf bluetooth speaker circuit board diagram pdf by gracia grace | december 23, 2022 0 comment. A bluetooth speaker's components may differ from one company to another based upon its quality.